GO
15d

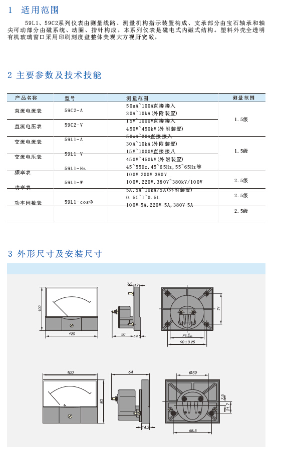
59L1、59C2系列电表

所属分类:电能表、仪器仪表

PDF File:

在线客服

LeYu乐鱼·官方端网站登录入口客服1

1428967121

LeYu乐鱼·官方端网站登录入口客服2

2281824741